
詳情
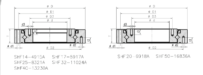
SHF40諧波減速機軸承型號參數
|
軸承型號 Designation |
外形尺寸 Dimensions(mm) |
額定負荷 Basic Load ratings(KN) |
重量 Weight |
|||||||||||||||
| d | D | T | D1 | D2 | D21 | D3 | n1-d1 | n2-d2 | n21-d21 | n3-d3 | d31 | t31 | rsmin | Cr | Cor | kg | ||
| SHF14-3516A | 38 | 70 | 15.1 | 64 | 64 | --- | 44 | 8-Φ3.5 | 2-M3 | --- | 12-M3 | --- | 5 | 0.5x45° | 5.4 | 7.1 | 0.28 | |
| SHF17-4216A | 47 | 80 | 17 | 74 | 74 | --- | 54 | 12-Φ3.5 | 4-M3 | --- | 20-M3 | --- | 5 | 0.5x45° | 10.4 | 14.2 | 0.39 | |
| SHF20-5016A | 54 | 90 | 18.5 | 84 | 84 | --- | 62 | 12-Φ3.5 | 4-M3 | --- | (16+4)-M3 | --- | 6 | 0.5x45° | 16.1 | 22.4 | 0.5 | |
| SHF25-6218A | 68 | 110 | 20.7 | 102 | 102 | --- | 77 | 12-Φ4.5 | 4-M3 | --- | (16-M4)+(4-M3) | --- | 6/8 | 0.5x45° | 17.8 | 27.4 | 0.81 | |
| SHF32-8022A | 88 | 142 | 24.4 | 132 | 132 | --- | 100 | 12-Φ5.5 | 4-M4 | --- | (16-M5)+(4-M4) | --- | 8 | 0.5x45° | 25.6 | 42 | 1.7 | |
| SHF40-9524A | 108 | 170 | 30 | 158 | 158 | --- | 122 | 12-Φ6.6 | 6-M4 | --- | (16-M6)+(4-M5) | --- | 8/10 | 0.5x45° | 42.1 | 68.4 | 2.79 | |
| SHF50-12031A | 135 | 214 | 36 | 200 | 200 | --- | 154 | 12-Φ9 | 6-M5 | --- | (16-M8)+(8-M5) | --- | 10/12 | 0.5x45° | 69.8 | 121.6 | 5.19 | |
- 上一篇:SHF50諧波減速機軸承
- 下一篇:暫無記錄
推薦產品
在線留言
聯系電話:13698854768


